Heavy Duty Wedge Anchor
Heavy-duty wedge anchor for the medium load range, in sizes M8 - M20 for anchoring in non-cracked concrete C20/25 - C50/60. With coating 3DG
Podrobnosti produktu
Vlastnosti
Material
- Steel
- Special anti-corrosion coating 3DG with matte finish
- Stainless steel A4 clip
Benefits
- Wide range
- Easy installation
- Versatile
- Cold forged anchor body
- Increased thickness of three expander segments
- Six teeth and anti-slip ridge to prevent slip during tightening
Aplikace
Applications
- Railings
- Metal and wood carpentry
- Facades
Suitable for
- Non-cracked concrete
- Solid stone
Technické údaje
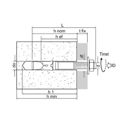
Product dimensions
| Art. nr. | Product Reference | NOBB nr. [NOBB nr.] | Dimensions [ØxL] [mm] | Thread length | Fixture thickness [tfix,max] with standard setting depth [hef,STD] [mm] | Fixture thickness [tfix,max] with reduced setting depth [hef,RED] [mm] | Hole diameter in fixture [df] [mm] | Hole diameter [do] x depth [h1] in substrate [mm] | Min. support thickness [hmin] [mm] | Min. setting depth [hef] [mm] | Installation torque [Tinst] [Nm] | Qty per box | Qty per outer box | Hmotnost [kg] |
|---|---|---|---|---|---|---|---|---|---|---|---|---|---|---|
| 75320C0813500 | FM-753 3DG | - | M8x135 | 88 | 75 | (85) | 9 | 8x60 | 100 | 40 | 15 | 100 | 400 | 0.048 |
| 75320C0816500 | - | M8x165 | 88 | 105 | (115) | 9 | 8x60 | 100 | 40 | 15 | 50 | 200 | 0.058 | |
| 75320C1017000 | 60759218 | M10x170 | 85 | 100 | (115) | 12 | 10x70 | 100 | 50 | 25 | 25 | 100 | 0.11 | |
| 75320C1021000 | - | M10x210 | 85 | 140 | (155) | 12 | 10x70 | 100 | 50 | 25 | 25 | 100 | 0.13 | |
| 75320C1218500 | 60743075 | M12x185 | 93 | 100 | (115) | 14 | 12x85 | 120 | 60 | 50 | 25 | 100 | 0.15 | |
| 75320C1220000 | - | M12x200 | 93 | 115 | (130) | 14 | 12x85 | 120 | 60 | 50 | 20 | 80 | 0.18 | |
| 75320C1222000 | - | M12x220 | 93 | 135 | (150) | 14 | 12x85 | 120 | 60 | 50 | 20 | 80 | 0.2 | |
| 75320C1224000 | - | M12x240 | 93 | 155 | (170) | 14 | 12x85 | 120 | 60 | 50 | 20 | 80 | 0.2 | |
| 75320C1225500 | - | M12x255 | 93 | 170 | (185) | 14 | 12x85 | 120 | 60 | 50 | 20 | 80 | 0.22 | |
| 75320C1228500 | - | M12x285 | 93 | 200 | (215) | 14 | 12x85 | 120 | 60 | 50 | 20 | 80 | 0.24 | |
| 75320C1230000 | - | M12x300 | 93 | 215 | (230) | 14 | 12x85 | 120 | 60 | 50 | 20 | 80 | 0.25 | |
| 75320C1232500 | - | M12x325 | 93 | 240 | (255) | 14 | 12x85 | 120 | 60 | 50 | 20 | 80 | 0.27 | |
| 75320C1621500 | - | M16x215 | 88 | 100 | (120) | 18 | 16x115 | 170 | 85 | 100 | 15 | 40 | 0.33 | |
| 75320C1623000 | - | M16x230 | 88 | 115 | (135) | 18 | 16x115 | 170 | 85 | 100 | 10 | 40 | 0.38 | |
| 75320C1625000 | - | M16x250 | 88 | 135 | (155) | 18 | 16x115 | 170 | 85 | 100 | 10 | 40 | 0.4 | |
| 75320C1627000 | - | M16x270 | 88 | 155 | (175) | 18 | 16x115 | 170 | 85 | 100 | 10 | 40 | 0.43 | |
| 75320C1632000 | - | M16x320 | 88 | 205 | (225) | 18 | 16x115 | 170 | 85 | 100 | 10 | 40 | 0.49 | |
| 75320C2028000 | - | M20x280 | 60 | 140 | - | 22 | 20x130 | 200 | 95 | 160 | 10 | 40 | 0.65 |
* Short series with reduced embedment depth
Recommended capacities - single anchor - no edge distances
| Art. nr. | Product Reference | Dimensions [ØxL] [mm] | Recommended loads - Non-cracked concrete | ||||||||
|---|---|---|---|---|---|---|---|---|---|---|---|
| Tension - Nzul | Shear - Vzul | Bending moment Mzul [Nm] | |||||||||
| C20/25 [kN] | C30/37 [kN] | C40/50 [kN] | C50/60 [kN] | C20/25 [kN] | C30/37 [kN] | C40/50 [kN] | C50/60 [kN] | ||||
| 75320C0813500 | FM-753 3DG | M8x135 | 5.7 | 6.1 | 6.5 | 6.8 | 4.4 | 4.4 | 4.4 | 4.4 | 11.4 |
| 75320C0816500 | FM-753 3DG | M8x165 | 5.7 | 6.1 | 6.5 | 6.8 | 4.4 | 4.4 | 4.4 | 4.4 | 11.4 |
| 75320C1017000 | FM-753 3DG | M10x170 | 5.7 | 6.3 | 6.8 | 7.4 | 6.6 | 6.6 | 6.6 | 6.6 | 23.3 |
| 75320C1021000 | FM-753 3DG | M10x210 | 5.7 | 6.3 | 6.8 | 7.4 | 6.6 | 6.6 | 6.6 | 6.6 | 23.3 |
| 75320C1218500 | FM-753 3DG | M12x185 | 11.2 | 12.3 | 13.4 | 14.6 | 9.6 | 9.6 | 9.6 | 9.6 | 34.3 |
| 75320C1220000 | FM-753 3DG | M12x200 | 11.2 | 12.3 | 13.4 | 14.6 | 9.6 | 9.6 | 9.6 | 9.6 | 34.3 |
| 75320C1222000 | FM-753 3DG | M12x220 | 11.2 | 12.3 | 13.4 | 14.6 | 9.6 | 9.6 | 9.6 | 9.6 | 34.3 |
| 75320C1224000 | FM-753 3DG | M12x240 | 11.2 | 12.3 | 13.4 | 14.6 | 9.6 | 9.6 | 9.6 | 9.6 | 34.3 |
| 75320C1225500 | FM-753 3DG | M12x255 | 11.2 | 12.3 | 13.4 | 14.6 | 9.6 | 9.6 | 9.6 | 9.6 | 34.3 |
| 75320C1228500 | FM-753 3DG | M12x285 | 11.2 | 12.3 | 13.4 | 14.6 | 9.6 | 9.6 | 9.6 | 9.6 | 34.3 |
| 75320C1230000 | FM-753 3DG | M12x300 | 11.2 | 12.3 | 13.4 | 14.6 | 9.6 | 9.6 | 9.6 | 9.6 | 34.3 |
| 75320C1232500 | FM-753 3DG | M12x325 | 11.2 | 12.3 | 13.4 | 14.6 | 9.6 | 9.6 | 9.6 | 9.6 | 34.3 |
| 75320C1621500 | FM-753 3DG | M16x215 | 16.7 | 18.4 | 20 | 21.7 | 20.3 | 20.3 | 20.3 | 20.3 | 91.9 |
| 75320C1623000 | FM-753 3DG | M16x230 | 16.7 | 18.4 | 20 | 21.7 | 20.3 | 20.3 | 20.3 | 20.3 | 91.9 |
| 75320C1625000 | FM-753 3DG | M16x250 | 16.7 | 18.4 | 20 | 21.7 | 20.3 | 20.3 | 20.3 | 20.3 | 91.9 |
| 75320C1627000 | FM-753 3DG | M16x270 | 16.7 | 18.4 | 20 | 21.7 | 20.3 | 20.3 | 20.3 | 20.3 | 91.9 |
| 75320C1632000 | FM-753 3DG | M16x320 | 16.7 | 18.4 | 20 | 21.7 | 20.3 | 20.3 | 20.3 | 20.3 | 91.9 |
| 75320C2028000 | FM-753 3DG | M20x280 | 19.1 | 23.3 | 26.9 | 29.6 | 24.5 | 24.5 | 24.5 | 24.5 | 161 |
1) In case of interaction of tension and shear loads (lever arm) as well as in case of anchor groups and/or edge influence, a design according to ETAG 001, Annex C, Design Method A (Aug. 2010) or
CEN/TS 1992-4-4 shall be carried out taking into account the entire European Technical Assessment ETA-13/0367.
2) The load data take into account the partial safety factors of the resistances given in the European Technical Assessment ETA-13/0367 and a partial safety factor of the
The values given assume unreinforced or normally reinforced concrete with a spacing of the reinforcing bars s ≥ 15 cm or s ≥ 10 cm with a diameter of the reinforcing bars ds ≥ 15 cm.
rebar diameter ds ≤ 10 mm.
Instalace
Instalace
Spacing, and Edge Distances
| Art. nr. | Spacing and edge distances | |||||
|---|---|---|---|---|---|---|
| Product Reference | Dimensions [ØxL] [mm] | Min. edge distance [cmin] [mm] | Min. spacing [smin] [mm] | Characteristic spacing(5) - Scr,N [scr,N] [mm] | Characteristic edge distance [ccr,N] [mm] | |
| 75320C0813500 | FM-753 3DG | M8x135 | 55 | 55 | 120 | 60 |
| 75320C0816500 | FM-753 3DG | M8x165 | 55 | 55 | 120 | 60 |
| 75320C1017000 | FM-753 3DG | M10x170 | 55 | 55 | 150 | 75 |
| 75320C1021000 | FM-753 3DG | M10x210 | 55 | 55 | 150 | 75 |
| 75320C1218500 | FM-753 3DG | M12x185 | 90 | 90 | 180 | 90 |
| 75320C1220000 | FM-753 3DG | M12x200 | 90 | 90 | 180 | 90 |
| 75320C1222000 | FM-753 3DG | M12x220 | 90 | 90 | 180 | 90 |
| 75320C1224000 | FM-753 3DG | M12x240 | 90 | 90 | 180 | 90 |
| 75320C1225500 | FM-753 3DG | M12x255 | 90 | 90 | 180 | 90 |
| 75320C1228500 | FM-753 3DG | M12x285 | 90 | 90 | 180 | 90 |
| 75320C1230000 | FM-753 3DG | M12x300 | 90 | 90 | 180 | 90 |
| 75320C1232500 | FM-753 3DG | M12x325 | 90 | 90 | 180 | 90 |
| 75320C1621500 | FM-753 3DG | M16x215 | 130 | 130 | 255 | 130 |
| 75320C1623000 | FM-753 3DG | M16x230 | 130 | 130 | 255 | 130 |
| 75320C1625000 | FM-753 3DG | M16x250 | 130 | 130 | 255 | 130 |
| 75320C1627000 | FM-753 3DG | M16x270 | 130 | 130 | 255 | 130 |
| 75320C1632000 | FM-753 3DG | M16x320 | 130 | 130 | 255 | 130 |
| 75320C2028000 | FM-753 3DG | M20x280 | 145 | 200 | 290 | 145 |
* Not included in the approval
Installation data
| Art. nr. | Installation data | ||||||||
|---|---|---|---|---|---|---|---|---|---|
| Product Reference | Dimensions [ØxL] [mm] | Ø drilling hole [d0] [mm] | Min. drill depth [h1] [mm] | Ø drilling fixture [df] [mm] | Wrench size [SW] [mm] | Installation torque [Tinst] [Nm] | Embedment depth [hef] [mm] | Min. support thickness [hmin] [mm] | |
| 75320C0813500 | FM-753 3DG | M8x135 | 8 | 60 | 9 | 13 | 15 | 40 | 100 |
| 75320C0816500 | FM-753 3DG | M8x165 | 8 | 60 | 9 | 13 | 15 | 40 | 100 |
| 75320C1017000 | FM-753 3DG | M10x170 | 10 | 70 | 12 | 17 | 25 | 50 | 100 |
| 75320C1021000 | FM-753 3DG | M10x210 | 10 | 70 | 12 | 17 | 25 | 50 | 100 |
| 75320C1218500 | FM-753 3DG | M12x185 | 12 | 85 | 14 | 19 | 50 | 60 | 120 |
| 75320C1220000 | FM-753 3DG | M12x200 | 12 | 85 | 14 | 19 | 50 | 60 | 120 |
| 75320C1222000 | FM-753 3DG | M12x220 | 12 | 85 | 14 | 19 | 50 | 60 | 120 |
| 75320C1224000 | FM-753 3DG | M12x240 | 12 | 85 | 14 | 19 | 50 | 60 | 120 |
| 75320C1225500 | FM-753 3DG | M12x255 | 12 | 85 | 14 | 19 | 50 | 60 | 120 |
| 75320C1228500 | FM-753 3DG | M12x285 | 12 | 85 | 14 | 19 | 50 | 60 | 120 |
| 75320C1230000 | FM-753 3DG | M12x300 | 12 | 85 | 14 | 19 | 50 | 60 | 120 |
| 75320C1232500 | FM-753 3DG | M12x325 | 12 | 85 | 14 | 19 | 50 | 60 | 120 |
| 75320C1621500 | FM-753 3DG | M16x215 | 16 | 115 | 18 | 24 | 100 | 85 | 170 |
| 75320C1623000 | FM-753 3DG | M16x230 | 16 | 115 | 18 | 24 | 100 | 85 | 170 |
| 75320C1625000 | FM-753 3DG | M16x250 | 16 | 115 | 18 | 24 | 100 | 85 | 170 |
| 75320C1627000 | FM-753 3DG | M16x270 | 16 | 115 | 18 | 24 | 100 | 85 | 170 |
| 75320C1632000 | FM-753 3DG | M16x320 | 16 | 115 | 18 | 24 | 100 | 85 | 170 |
| 75320C2028000 | FM-753 3DG | M20x280 | 20 | 130 | 22 | 30 | 160 | 95 | 200 |