FM-X5
Long Plug for Window and Door Frames
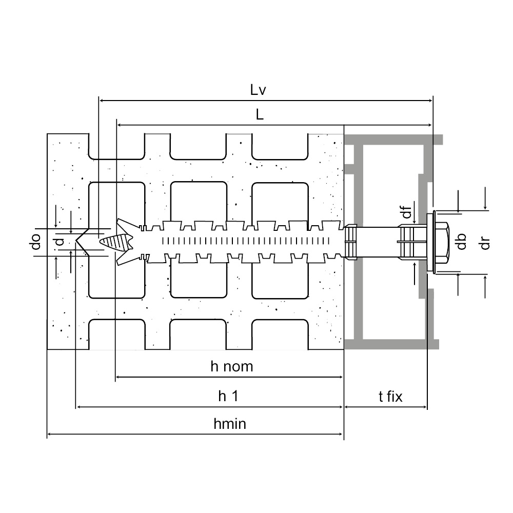
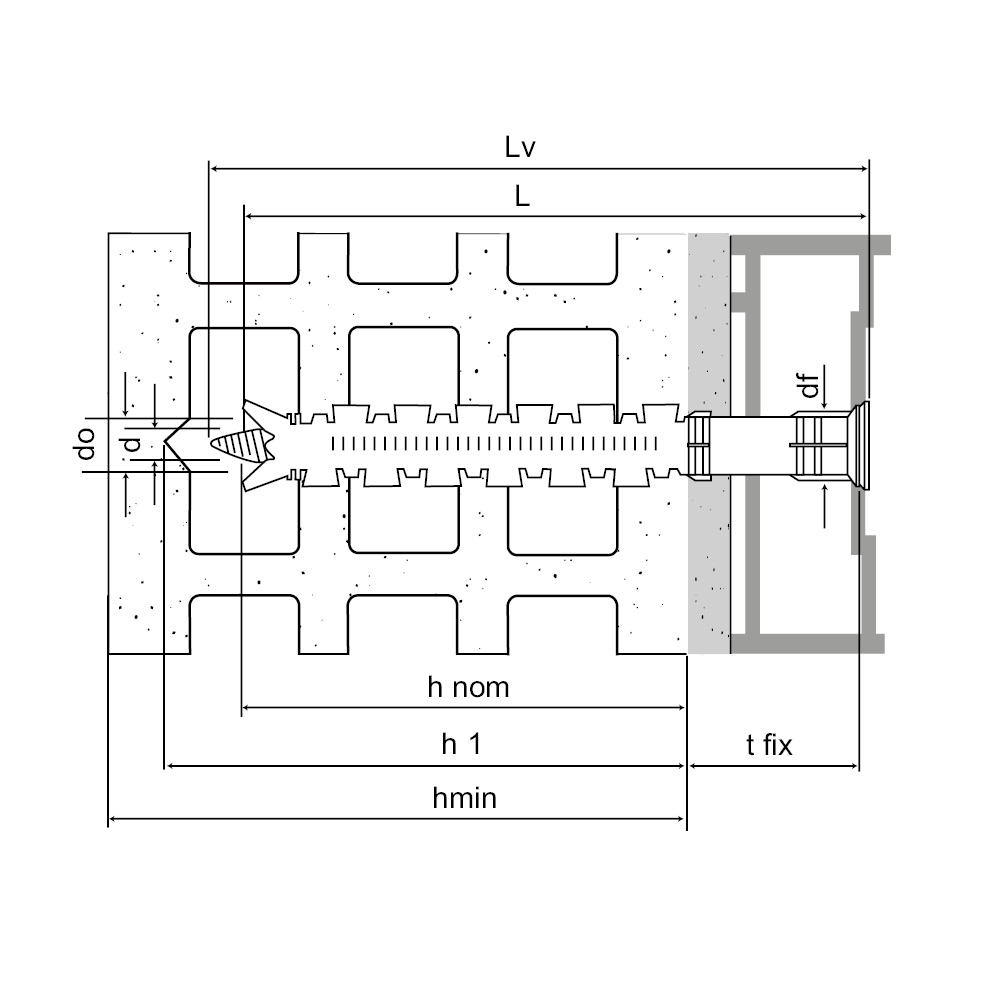
The FM-X5 frame plug in Ø8 and Ø10 mm versions in combination with a countersunk or hexagon head screw is approved for multiple fixings in concrete and masonry.
Označení CE
ETA
Servisní třída 2
Elektroizolační ocel
Uvnitř
Feu R 90
Fix Calc
Podrobnosti produktu
Vlastnosti
Material
- Plug: nylon
- Screw: white zinc plated steel
Benefits
- Multi-expansion variable geometry
- Low tightening torque
- Ultra flexible nylon
Aplikace
Applications
- Framework
- Wall cabinets
- Light carpentry
Suitable for
- Non-cracked concrete
- Solid brick
- Honeycomb brick
- Cell like clay brick
- Lightweight honeycomb brick
- Hollow dense aggregate block
- Hollow light aggregate block
- Aerated concrete
- Solid stone
Technické údaje
Product Dimension - Countersunk Screw
| Art. nr. | Product Reference | Hole diameter x anchor length [doxL] [mm] | Max. fixture thickness [tfix] [mm] | Min. hole depth [h1] | Nominal embedment depth [hnom] [mm] | Min. support thickness* [hmin] [mm] | Hole diameter in fixture [df] [mm] | Screw diameter [d] [mm] | Screw length [Lv] [mm] | Bit | Qty per box | Qty per outer box |
|---|---|---|---|---|---|---|---|---|---|---|---|---|
| 64301B0808000 | FM-X5 | Ø8x80 | 10 | 80 | 70 | 120 | 8.5 | 6 | 85 | T30 | 100 | 1000 |
| 64301B0810000 | Ø8x100 | 30 | 80 | 70 | 120 | 8.5 | 6 | 105 | T30 | 50 | 500 | |
| 64301B0812000 | Ø8x120 | 50 | 80 | 70 | 120 | 8.5 | 6 | 125 | T30 | 50 | 500 | |
| 64301B0815000 | Ø8x150 | 80 | 80 | 70 | 120 | 8.5 | 6 | 155 | T30 | 50 | - | |
| 64301B0817000 | Ø8x170 | 100 | 80 | 70 | 120 | 8.5 | 6 | 175 | T30 | 50 | - | |
| 64301B1008500 | Ø10x85 | 15 | 80 | 70 | 120 | 10.5 | 7 | 90 | T40 | 50 | 500 | |
| 64301B1010000 | Ø10x100 | 30 | 80 | 70 | 120 | 10.5 | 7 | 105 | T40 | 50 | 500 | |
| 64301B1011500 | Ø10x115 | 45 | 80 | 70 | 120 | 10.5 | 7 | 120 | T40 | 50 | 500 | |
| 64301B1013500 | Ø10x135 | 65 | 80 | 70 | 120 | 10.5 | 7 | 140 | T40 | 50 | 200 | |
| 64301B1016000 | Ø10x160 | 90 | 80 | 70 | 120 | 10.5 | 7 | 165 | T40 | 50 | - | |
| 64301B1020000 | Ø10x200 | 130 | 80 | 70 | 120 | 10.5 | 7 | 205 | T40 | 50 | - | |
| 64301B1023000 | Ø10x230 | 160 | 80 | 70 | 120 | 10.5 | 7 | 235 | T40 | 50 | - |
* Including plaster
Product Dimension - Hex Head Screw
| Art. nr. | Product Reference | Hole diameter x anchor length [doxL] [mm] | Max. fixture thickness [tfix] [mm] | Min. hole depth [h1] | Nominal embedment depth [hnom] [mm] | Min. support thickness* [hmin] [mm] | Hole diameter in fixture [df] [mm] | Washer diameter [dr] [mm] | Screw diameter [d] [mm] | Screw length [Lv] [mm] | Wrench [SW] [mm] | Bit | Qty per box | Qty per outer box |
|---|---|---|---|---|---|---|---|---|---|---|---|---|---|---|
| 64302B1008500 | FM-X5 | Ø10x85 | 15 | 80 | 70 | 120 | 10.5 | 19 | 7 | 90 | 13 | T40 | 50 | 500 |
| 64302B1010000 | Ø10x100 | 30 | 80 | 70 | 120 | 10.5 | 19 | 7 | 105 | 13 | T40 | 50 | 500 | |
| 64302B1011500 | Ø10x115 | 45 | 80 | 70 | 120 | 10.5 | 19 | 7 | 120 | 13 | T40 | 50 | 500 | |
| 64302B1013500 | Ø10x135 | 65 | 80 | 70 | 120 | 10.5 | 19 | 7 | 140 | 13 | T40 | 50 | 200 |
* Including plaster
Instalace
Instalace
Spacings and edge distances
| Art. nr. | Product Reference | Hole diameter x anchor length [doxL] [mm] | Spacings and edge distances | |||||||||||||
|---|---|---|---|---|---|---|---|---|---|---|---|---|---|---|---|---|
| Non-cracked concrete C12/15 | Non-cracked concrete C16/20 | Autoclaved aerated concrete AAC | Solid brick | |||||||||||||
| Min. edge distance [cmin] [mm] | Min. spacing [smin] [mm] | Characteristic edge distance [ccr,N] [mm] | Minimun thickness of support [hmin] [mm] | Min. edge distance [cmin] [mm] | Min. spacing [smin] [mm] | Characteristic edge distance [ccr,N] [mm] | Minimun thickness of support [hmin] [mm] | Min. edge distance [cmin] [mm] | Min. spacing [smin] [mm] | Minimun thickness of support [hmin] [mm] | Min. edge distance [cmin] [mm] | Min. spacing [smin] [mm] | Minimun thickness of support [hmin] [mm] | |||
| 64301B0808000 | FM-X5 | Ø8x80 | 80 | 80 | 140 | 100 | 60 | 60 | 100 | 100 | 100 | 250 | 200 | 100 | 250 | 110 |
| 64301B0810000 | FM-X5 | Ø8x100 | 80 | 80 | 140 | 100 | 60 | 60 | 100 | 100 | 100 | 250 | 200 | 100 | 250 | 110 |
| 64301B0812000 | FM-X5 | Ø8x120 | 80 | 80 | 140 | 100 | 60 | 60 | 100 | 100 | 100 | 250 | 200 | 100 | 250 | 110 |
| 64301B0815000 | FM-X5 | Ø8x150 | 80 | 80 | 140 | 100 | 60 | 60 | 100 | 100 | 100 | 250 | 200 | 100 | 250 | 110 |
| 64301B0817000 | FM-X5 | Ø8x170 | 80 | 80 | 140 | 100 | 60 | 60 | 100 | 100 | 100 | 250 | 200 | 100 | 250 | 110 |
| 64301B1008500 | FM-X5 | Ø10x85 | 80 | 80 | 140 | 100 | 60 | 60 | 100 | 100 | 100 | 250 | 200 | 100 | 250 | 110 |
| 64301B1010000 | FM-X5 | Ø10x100 | 80 | 80 | 140 | 100 | 60 | 60 | 100 | 100 | 100 | 250 | 200 | 100 | 250 | 110 |
| 64301B1011500 | FM-X5 | Ø10x115 | 80 | 80 | 140 | 100 | 60 | 60 | 100 | 100 | 100 | 250 | 200 | 100 | 250 | 110 |
| 64301B1013500 | FM-X5 | Ø10x135 | 80 | 80 | 140 | 100 | 60 | 60 | 100 | 100 | 100 | 250 | 200 | 100 | 250 | 110 |
| 64301B1016000 | FM-X5 | Ø10x160 | 80 | 80 | 140 | 100 | 60 | 60 | 100 | 100 | 100 | 250 | 200 | 100 | 250 | 110 |
| 64301B1020000 | FM-X5 | Ø10x200 | 80 | 80 | 140 | 100 | 60 | 60 | 100 | 100 | 100 | 250 | 200 | 100 | 250 | 110 |
| 64301B1023000 | FM-X5 | Ø10x230 | 80 | 80 | 140 | 100 | 60 | 60 | 100 | 100 | 100 | 250 | 200 | 100 | 250 | 110 |
| 64302B1008500 | FM-X5 | Ø10x85 | 80 | 80 | 140 | 100 | 60 | 60 | 100 | 100 | 100 | 250 | 200 | 100 | 250 | 110 |
| 64302B1010000 | FM-X5 | Ø10x100 | 80 | 80 | 140 | 100 | 60 | 60 | 100 | 100 | 100 | 250 | 200 | 100 | 250 | 110 |
| 64302B1011500 | FM-X5 | Ø10x115 | 80 | 80 | 140 | 100 | 60 | 60 | 100 | 100 | 100 | 250 | 200 | 100 | 250 | 110 |
| 64302B1013500 | FM-X5 | Ø10x135 | 80 | 80 | 140 | 100 | 60 | 60 | 100 | 100 | 100 | 250 | 200 | 100 | 250 | 110 |
Installation data
| Art. nr. | Product Reference | Hole diameter x anchor length [doxL] [mm] | Installation data | |||
|---|---|---|---|---|---|---|
| Ø drilling hole [d0] [mm] | Min. drill depth [h1] [mm] | Ø drilling fixture [df] [mm] | Wrench size [SW] [mm] | |||
| 64301B0808000 | FM-X5 | Ø8x80 | 8 | 80 | 8.5 | - |
| 64301B0810000 | FM-X5 | Ø8x100 | 8 | 80 | 8.5 | - |
| 64301B0812000 | FM-X5 | Ø8x120 | 8 | 80 | 8.5 | - |
| 64301B0815000 | FM-X5 | Ø8x150 | 8 | 80 | 8.5 | - |
| 64301B0817000 | FM-X5 | Ø8x170 | 8 | 80 | 8.5 | - |
| 64301B1008500 | FM-X5 | Ø10x85 | 10 | 80 | 10.5 | - |
| 64301B1010000 | FM-X5 | Ø10x100 | 10 | 80 | 10.5 | - |
| 64301B1011500 | FM-X5 | Ø10x115 | 10 | 80 | 10.5 | - |
| 64301B1013500 | FM-X5 | Ø10x135 | 10 | 80 | 10.5 | - |
| 64301B1016000 | FM-X5 | Ø10x160 | 10 | 80 | 10.5 | - |
| 64301B1020000 | FM-X5 | Ø10x200 | 10 | 80 | 10.5 | - |
| 64301B1023000 | FM-X5 | Ø10x230 | 10 | 80 | 8.5 | - |
| 64302B1008500 | FM-X5 | Ø10x85 | 10 | 80 | 10.5 | 13 |
| 64302B1010000 | FM-X5 | Ø10x100 | 10 | 80 | 10.5 | 13 |
| 64302B1011500 | FM-X5 | Ø10x115 | 10 | 80 | 10.5 | 13 |
| 64302B1013500 | FM-X5 | Ø10x135 | 10 | 80 | 10.5 | 13 |
Certifikace
Prohlášení o funkčnosti (DoP)
cz-fm-x5-07-f.pdf
(231.06 KB)
Evropské technické posouzení (ETA)
fm-x5-eta-10-0425-en-2024-03-13.pdf
(987.52 KB)