B1

Ringkeildübel (B1)

Typ B1

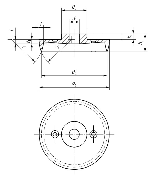
Scheibendübel des Typs B1 sind Dübel besonderer Bauart, die aus einer runden Scheibe mit einem umlaufenden Flansch und einer auf der gegenüberliegenden Seite zylindrischen Nabe mit einem Bolzenloch in der Scheibenmitte bestehen. Die Kraftübertragung erfolgt über diese Nabe und einer dazu passenden Bohrung im Stahlteil.

Servisní třída 2

Podrobnosti produktu

Vlastnosti

Material

  • Aluminium-Gusslegierung EN AC-AlSi9Cu3(Fe) nach DIN EN 1706:2010
  • Ringdübel aus Aluminium dürfen nur in der nutzungsklasse 1 und 2 verwendet werden.

Vorteile

  • Die erforderlichen Fräsungen erlauben im Gegensatz zu anderen Dübeln besonderer Bauart einen nur geringen Kraftaufwand beim Einbau.

Aplikace

Anwendbare Materialien

  • Vollholz, Stahl

Anwendungsbereich

  • Scheibendübel des Typs B1 werden zur Kraftübertragung bei Holz-Stahl Verbindungen eingesetzt. Sie dürfen für Anschlüsse an Vollholz, Brettschichtholz, Balkenschichtholz und Furnierschichtholz verwendet werden.
  • Hirnholzanschlüsse, z.B. Nebenträger an Stahl sind ebenso möglich wie seitliche Anschlüsse.
  • Mit einem auf die Querschnittsfläche des umlaufenden Flansches abgestimmten Fräswerkzeug, inkl. Flächenfräser, wird eine entsprechende Vertiefung in den Holzwerkstoff gefräst, in die die Scheibendübel mit der Scheibe flächenbündig eingelegt werden.
  • Bei Bedarf kann der Dübel durch zwei Schrauben in Bohrungen seitlich der Nabe gegen herausfallen gesichert werden.
  • Zur Aufnahme der Nabe werden in den Stahlteilen Bohrungen im Außendurchmesser der Nabe +max 2mm eingebracht.
  • Nach der Montage der Hölzer an die Stahlteile werden Bolzen zur Sicherung der Klemmwirkung eingebaut.

Technické údaje

Rozměry

Rozměry - Kruhový konektor B1

Art. nr. Typ Rozměry konektoru
Ø Externí Výška [mm] Ø Uvnitř Ø vně náboje
dc [mm] hc [mm] d1 [mm] d3 [mm]
B1-65M12B165231322.5
B1-80M12B180231325.5
B1-95M12B195231333.5
B1-128M12B112832.51345
B1-160M16B116034.516.550

Instalace

Instalace

Befestigung

  • Mit einem auf die Querschnittsfläche abgestimmten Fräswerkzeug, wird eine entsprechende Vertiefung in den Holzwerkstoff gefräst, in die die Ringdübel eingelegt werden.
  • Nach zusammenfügen der Holzer müssen Bolzen, oder bei entsprechender Voraussetzung, Schrauben oder profilierte Sondernägel zur Sicherung der Klemmwirkung eingebaut werden.

ZIP balíčky

Buy from Distributor

No items available.

Contact

Simpson Strong-Tie Německo

Simpson Strong-Tie GmbH

Hubert-Vergölst-Straße 6-14
61231 Bad Nauheim
Německo